在當今電子設備飛速發展的時代,電源適配器作為各類設備的能量供應核心,其性能與效率的重要性日益凸顯。隨著氮化鎵(GaN)技術的不斷成熟與應用,電源適配器的設計迎來了新的突破。本文將深入探討基于氮化鎵技術的 CoreGaN-330W PFC+LLC 筆電適配器的設計理念、技術特點以及其在實際應用中的卓越表現,揭示氮化鎵技術如何為電源設計帶來革新。
氮化鎵作為一種寬禁帶半導體材料,具有諸多傳統硅基半導體無法比擬的優勢。其高電子飽和速度、高電子遷移率以及高熱導率等特點,使得基于氮化鎵的電子器件能夠在更高的電壓、頻率和溫度下穩定工作,從而顯著提升電源轉換效率、減小電源體積并降低能耗。在電源適配器領域,氮化鎵技術的應用為實現高功率密度、高效率以及高性能的電源解決方案提供了可能。

(一)設計目標與應用場景
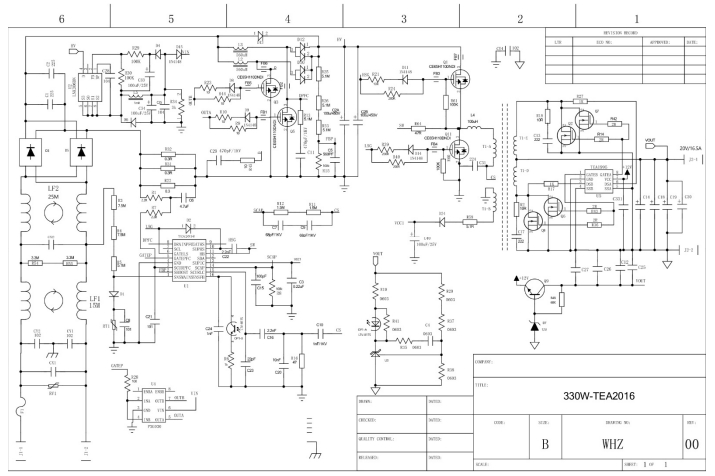
CoreGaN-330W PFC+LLC 筆電適配器旨在為高性能筆記本電腦提供穩定、高效的電源支持。其設計目標是實現高功率輸出(330W)、高效率(最高可達 95.70%)以及優異的電源質量,同時滿足全電壓輸入(90V-264V AC)的要求,以適應不同地區的電網環境。此外,該適配器還注重小型化設計,其外殼尺寸僅為 163.2mm×77.2mm×30.5mm,在保證性能的同時,便于攜帶。
(二)拓撲結構選擇
為了實現上述設計目標,該適配器采用了 PFC(功率因數校正)+LLC(諧振變換器)的拓撲結構。PFC 電路能夠有效校正輸入電流的波形,提高電源的功率因數,減少諧波污染,使電源在寬電壓輸入范圍內保持較高的效率和穩定的輸出。LLC 諧振變換器則以其高效率、高功率密度和良好的負載適應性而被廣泛應用于高性能電源設計中。通過合理設計 LLC 諧振腔參數,可以在高頻工作狀態下實現軟開關,進一步降低開關損耗,提升電源效率。
(一)氮化鎵器件應用
適配器的核心部件選用了氮化鎵 CE65H110DNDI 型號的功率器件。該器件具備 650V 的耐壓能力和 110mΩ 的導通電阻,能夠在高頻開關條件下保持較低的導通損耗和開關損耗。與傳統硅基 MOSFET 相比,氮化鎵器件的高頻特性使其在 LLC 諧振變換器中能夠實現更高的工作頻率,從而減小了變壓器、電感等磁性元件的體積和重量,提高了電源的整體功率密度。同時,氮化鎵器件的高熱導率有助于在高功率輸出時保持穩定的溫度性能,延長器件壽命。
(二)電路設計優化
在 PFC 電路部分,采用了先進的控制算法,結合高性能的驅動電路,確保了在全電壓輸入范圍內功率因數能夠穩定維持在較高水平。通過精確的電感量設計和優化的電容選型,實現了對輸入電流的有效整形,降低了總諧波失真(THD)。在 LLC 諧振變換器中,對諧振腔的參數進行了精細調整,包括諧振電感、諧振電容以及變壓器的匝比等,以實現最佳的諧振頻率和軟開關效果。此外,還設計了完善的保護電路,如輸出過壓保護、過流保護、輸入欠壓保護以及短路保護等,確保了電源在各種異常工作條件下能夠安全、可靠地運行。
(三)PCB 布局與散熱設計
合理的 PCB 布局對于電源性能的發揮至關重要。在 CoreGaN-330W 適配器的 PCB 設計中,充分考慮了高頻信號的完整性、電源回路的低阻抗以及電磁兼容性(EMC)。關鍵的功率器件和高頻元件被合理地放置在 PCB 上,以減少寄生參數的影響,降低電磁干擾。同時,通過優化走線寬度和長度,確保了電源回路的低阻抗,提高了電源的動態響應能力。在散熱設計方面,采用了高效的散熱片和導熱硅膠片,結合合理的氣流通道設計,確保了在高功率輸出時關鍵器件能夠保持在適宜的工作溫度范圍內,從而保證了電源的長期穩定運行。

(一)效率測試
通過對 CoreGaN-330W 適配器在不同輸入電壓和負載條件下的效率測試,結果顯示其平均效率可達 94.75%,最高效率達到 95.70%。這一效率水平遠高于傳統的硅基電源適配器,顯著降低了能量損耗,提高了能源利用效率。在滿載工作狀態下,即使在最低輸入電壓(90V AC)和最高輸入電壓(264V AC)條件下,效率依然能夠保持在較高水平,這得益于氮化鎵器件的高頻特性以及優化的電路設計,使得電源在寬電壓輸入范圍內均能高效工作。
(二)電源質量測試
在電源質量方面,適配器的輸出電壓紋波和噪聲測試結果表明,在不同輸入電壓和負載條件下,輸出紋波電壓均能控制在較低水平,最大紋波電壓僅為 72.8mV(@264V AC 輸入),遠低于行業標準要求。這表明適配器能夠為筆記本電腦等電子設備提供穩定、純凈的電源,減少電源噪聲對設備性能的影響。此外,適配器的動態負載測試結果顯示其能夠快速響應負載變化,輸出電壓的過沖和欠沖幅度較小,恢復時間短,進一步證明了其良好的動態性能和穩定性。
(三)保護功能測試
在各項保護功能測試中,適配器均表現出色。輸出過壓保護、過流保護、輸入欠壓保護以及短路保護等功能均能在設定的閾值范圍內準確觸發,及時切斷電源輸出,保護了負載設備和電源自身免受損壞。這些完善的保護功能為用戶提供了可靠的安全保障,增強了適配器在實際應用中的可靠性和穩定性。
(四)EMI 測試與溫度測試
電磁兼容性(EMI)測試結果顯示,適配器的電磁干擾水平符合相關標準要求,這得益于合理的 PCB 布局設計和有效的電磁屏蔽措施。在溫度測試方面,通過對關鍵器件和外殼溫度的實時監測,在高功率輸出和長時間工作條件下,各關鍵器件的溫度均能保持在安全范圍內,外殼溫度也未出現過熱現象,這表明適配器的散熱設計達到了預期效果,能夠在實際使用環境中穩定運行。

CoreGaN-330W PFC+LLC 筆電適配器憑借其創新的氮化鎵技術應用、優化的電路設計以及精心的散熱和 PCB 布局,成功實現了高功率輸出、高效率、高電源質量以及小型化的目標。其在性能測試中的卓越表現充分證明了氮化鎵技術在電源適配器領域的巨大潛力和優勢。隨著氮化鎵技術的不斷發展和成本的逐步降低,預計未來將有更多的電源產品采用氮化鎵器件,推動電源行業向更高效率、更高功率密度和更優性能的方向發展。
在未來的電源設計中,我們可以進一步探索氮化鎵技術與其他新興技術的融合,如人工智能控制算法、新型磁性材料等,以實現更加智能化、高效化的電源解決方案。同時,隨著全球對節能減排的重視,氮化鎵技術在電源領域的應用也將為實現綠色能源目標做出重要貢獻,為我們的生活和工作提供更加環保、高效的能源支持。