在家庭網關、智能傳感器、小家電和工業 12 V 輔助電源里,工程師最怕三件事:
空間不夠——只能塞幾顆 0805 電阻電容;
待機功耗高——整機待機 0.5 W 就過不了能效新規;
可靠性差——輸出短路或過溫炸機一次,客戶退貨如山倒。

聚元微把高壓啟動、功率管、環路補償、抖頻 EMI 抑制、全套保護放進了一顆 SOP-8,推出了 PL338xT 系列:
? PL3381T → 200 mA
? PL3383T → 300 mA
? PL3384T → 400 mA
本文用一張圖、一張表、一套公式,帶你把 90 VAC~265 VAC 直接變 12 V/400 mA 的“極簡”方案說透。
| 型號 | 集成功率管 | 連續電流 | 峰值電流 | 內管耐壓 | 目標應用 |
|---|---|---|---|---|---|
| PL3381T | 700 V/0.5 A BJT | 200 mA | 375 mA | 700 V | 小網關 MCU 供電 |
| PL3383T | 800 V/1 A BJT | 300 mA | 750 mA | 800 V | 繼電器/傳感器 12 V |
| PL3384T | 800 V/1.5 A BJT | 400 mA | 750 mA | 800 V | 小家電輔助 12 V |
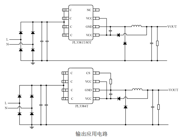
一顆芯片 = 高壓啟動 + BJT 功率級 + 恒壓控制 + 全套保護,外圍僅需 6 個元件即可工作。

? 高壓啟動:母線經 C 腳給 VCC 電容充電,VCC 升到 12 V 開始工作,啟動后由輔助繞組供電,靜態電流僅 0.5 mA。
? 復合模式:輕載 PFM(降低頻率,減少開關損耗),重載 PWM(固定 50 kHz,紋波更小)。
? 抖頻 ±4 %:把 EMI 峰值削平 3~4 dB,省去一級共模電感。
? 全保護:逐周期限流、輸出開短路、VCC 欠壓 6.8 V/過壓 13.8 V、150 °C OTP,全部自恢復。

1 腳、2 腳:VCC 雙焊盤,內部短接,可任一腳接去耦電容 10 μF/16 V。
3 腳、4 腳:GND 雙焊盤,形成 Kelvin 連接,提高抗噪能力。
6 腳 CS:在 PL3381T/83T 中直接懸空即可;在 PL3384T 中可外接 0 Ω~0.5 Ω 電阻用于更精細的峰值電流設定。
8 腳 C:芯片內部高壓 BJT 集電極,布線需最短最粗,遠離小信號走線。

? 電感:取紋波系數 r = 0.3,輸入最高 375 VDC,
L = V<sub>(V<sub> ? V<sub>) / (V<sub>·f·ΔI<sub>) ≈ 1 mH
? 峰值電流:I<sub> = 0.2 A × (1 + r/2) = 0.23 A < 375 mA(芯片限流值)
? 續流二極管:反向 ≥ 400 V,平均電流 ≥ 0.3 A,SS110/ES1J 均可。
? 輸出 12.03 V,紋波 60 mV
? 空載功耗 65 mW,滿足 CoC V5 Tier 2
? 短路保護:輸出短接,芯片打嗝重啟,功耗 < 0.2 W
保持原理圖不變,只換芯片和電感:
| 電流檔 | 芯片 | 電感值 | 續流管 | 輸出電容 |
|---|---|---|---|---|
| 300 mA | PL3383T | 680 μH | SS110 | 100 μF |
| 400 mA | PL3384T | 470 μH | SS210 | 220 μF |
? 200 mA:78 %
? 300 mA:80 %
? 400 mA:82 %
溫升:400 mA 滿載,芯片表面 95 °C(SOP-8 焊在 25 mm×15 mm 銅箔上,25 °C 環境)。
C 腳(高壓開關節點)走線最短最粗,遠離 FB/CS 采樣走線,降低 EMI。
VCC 電容靠近 4-5 腳,地回路單點接入功率地,防止啟動抖動。
假負載別省,空載不穩時先調阻值而不是盲目加大輸出電容。
如需要 5 V 輸出,把輸出分壓到 TL431 即可;芯片自身恒壓環路無需修改。
PL338xT 用“一顆 SOP-8 + 6 個外圍”就把 90-265 VAC 變 12 V 的繁瑣工作完成了:
? 200/300/400 mA 三擋電流,選型像挑電阻一樣簡單;
? 內置高壓啟動 + PFM/PWM 復合模式,待機 < 70 mW,效率 > 80 %;
? 全套保護 + 抖頻 EMI 抑制,認證實驗室一次過。
下次做 12 V 小功率輔助電源,別忘了把 PL338xT 放進 BOM,或許能省下一顆光耦、一顆 TL431,甚至一整塊小電源板。