HN32512是一款非隔離降壓型電源控制芯片,采用SOP-8封裝,內置500V耐壓的NMOS功率管,最大輸出電流300mA。它能把220V交流電直接轉換成穩定的直流電壓,特別適合小家電、小風扇等低成本應用場景。
這款芯片最大的特點是外圍極簡,不需要復雜的變壓器,只需要一個電感、幾個電容電阻就能工作,整體成本很低。
主要特點
高壓集成:內置500V高壓MOS管,可以直接接220V市電,無需外置功率管。
智能控制:采用PWM+PFM混合控制,重載時PWM模式保證效率,輕載時PFM模式降低功耗,同時頻率抖動技術抑制電磁干擾。
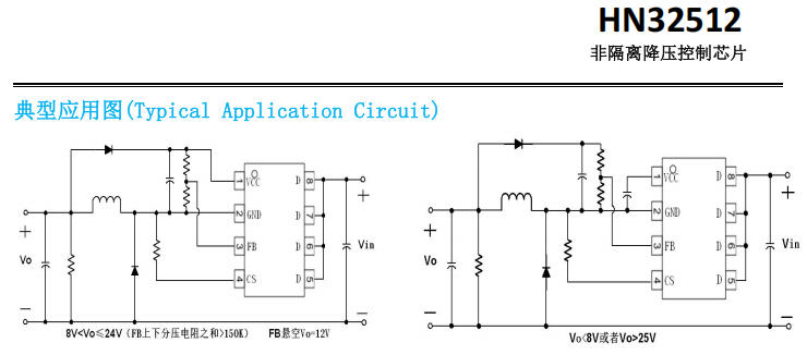
默認12V輸出:FB反饋腳懸空時,芯片自動輸出12V電壓,簡化設計。
保護功能齊全:包括過壓保護、欠壓保護、過流保護、過溫保護、電感飽和保護等,出現異常自動重啟,可靠性高。
高壓快速啟動:上電后內部高壓啟動電路快速建立VCC電壓,縮短啟動時間。

引腳功能
HN32512采用SOP-8封裝,8個引腳功能如下:

典型應用
HN32512的典型應用是BUCK降壓電路,直接從220V交流整流后的高壓直流取電,降壓輸出12V或更低電壓。
輸出電壓設定:
輸出電流:最大300mA(85-220V全電壓范圍)
供電方式選擇:

關鍵保護功能
逐周期限流:每個開關周期檢測電流,超過閾值立即關斷,保護功率管。
電感飽和保護:檢測CS腳電壓,若連續7個周期超過0.9V,判定電感飽和,自動重啟。
VCC過壓/欠壓保護:VCC高于28V或低于7.2V時停止工作,防止異常工況。
輸出過壓保護:FB電壓超過2.4V持續6個周期,觸發保護。
過溫保護:芯片結溫達到150°C時關斷輸出,降溫至120°C后自動恢復。
應用場景
小家電輔助電源(如電飯煲、電磁爐控制板供電)
小風扇電源
智能插座內部供電
LED驅動電源
其他小功率非隔離電源場合
設計要點
電感選擇:按公式L=(Vo+1)×16μs/(1.4×Io)計算,確保滿載時進入CCM模式,電感飽和電流需大于2.4倍輸出電流。
CS電阻計算:Rcs=250mV/Io,例如輸出0.5A時取0.5Ω。
輸入電容:按1μF/W選取,如10W功率配10μF電容。
續流二極管:建議使用肖特基二極管,降低損耗,改善負載調整率

總結
HN32512是一款高性價比的非隔離降壓芯片,內置500V高壓MOS,外圍極簡,保護功能完善,默認12V輸出無需調試,特別適合300mA以內的小功率應用。對于成本敏感、空間受限的小家電電源設計,是個省心實用的選擇。如需選購歡迎咨詢店鋪客服:https://detail.1688.com/offer/1011526864376.html?spm=a26286.8251493.description.2.221425b2fy1sF8