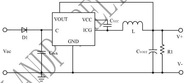
在現代家居環境中,加濕器已成為提升生活質量的重要小家電之一。隨著技術的發展,大功率加濕器因其快速加濕和高效能的特點而受到市場的青睞。在這些設備中,電源管理芯片扮演著至關重要的角色。LP2188芯片,作為芯茂微電子推出的一款高性能非隔離降壓開關電源恒壓控制驅動芯片,為大功率加濕器提供了一個穩定而高效的電源解決方案。本文將詳細解析LP2188芯片的性能特點及其在大功率加濕器中的應用。

LP2188芯片具有以下顯著特點,使其成為大功率加濕器的理想電源芯片選擇:
高效率與高精度:LP2188芯片以其高效率和高精度的電源管理能力,確保加濕器在各種工作條件下都能穩定運行。
寬電壓適用范圍:適用于85VAC至265VAC的全范圍輸入電壓,使其能夠適應不同的電網環境。
集成高壓功率管:內部集成的750V高壓功率管,減少了外部元件的需求,簡化了電路設計。
恒壓控制模式:LP2188采用恒壓控制模式,系統可工作于連續導通模式(CCM)和不連續導通模式(DCM),提供了靈活的工作模式選擇。
特有的PFM控制方式:采用特有的脈沖頻率調制(PFM)控制方式,改善了音頻特性,減少了噪音。
多重保護功能:包括VCC鉗位/欠壓保護、輸出短路保護、電感過電流保護及過溫保護等,增強了系統的可靠性和安全性。
優異的動態性能和EMI特性:LP2188具有優異的動態性能和EMI特性,減少了電磁干擾,提高了電源的穩定性。
低待機功耗:待機功耗小于75mW,符合現代節能要求。

LP2188芯片的高性能特點使其在大功率加濕器中得到廣泛應用:
穩定的電源供應:為加濕器提供穩定的5V輸出電壓,確保設備在高負載下也能正常工作。
簡化的電路設計:由于LP2188集成了高壓功率管和特有的峰值電流控制,無需外部CS電阻,簡化了電路設計,降低了成本。
提高系統可靠性:多重保護功能減少了因電源問題導致的設備故障,延長了設備的使用壽命。
適應不同的工作環境:寬電壓適用范圍使得LP2188可以在全球范圍內使用,適應不同的電網標準。
節能與環保:低待機功耗符合節能要求,減少了能源消耗,有利于環保。
LP2188芯片以其卓越的性能和可靠性,成為大功率加濕器電源管理的理想選擇。它不僅能夠提供穩定的電源供應,還能夠在各種工作環境中保持高效運行,同時通過多重保護功能確保設備的安全性和穩定性。隨著智能家居技術的不斷發展,LP2188芯片有望在未來的加濕器市場中發揮更大的作用。